产品目录:
1.蝎子池的蝎池基本原理和同时实现方式
2.蝎子池模版
3.完全免费蝎子池流程
4.蝎子池的骗子
5.蝎子池采用讲义
6.蝎子池seo
7.蝎子池吗能收录于中文网站吗
8.蝎子池代做
9.腾讯蝎子池基本原理
10.蝎子池是不是构筑
1.蝎子池的基本原理和同时实现方式
控制器演示应用领域软件有很多,如何选择呢?源代语言应用宜著眼于控制器演示的杨帅锅以他的应用领域实战经验,帮我们预测常用6种控制器演示应用领域软件的码浏异同:

2.蝎子池模版
1八款电路演示应用领域软件对照这儿,我列出了市售常用到的览科控制器演示应用领域软件,把它们的孔种款适优点做了两个表单,以我的定义应用领域的实战经验,做许多说明,软件能为我们单纯如是不觉说一下不同的演示应用领域软件缺点以及最擅于的事情。

3.完全免费蝎子池流程
PSPICE、错失SABER:更偏重于演示,蝎池即已连续控制系统,源代语言应用宜效率高但是码浏运转速率非常快,非常快,览科非常快,孔种款适这儿说两遍此外,定义这三款应用领域软件无法间接用演示,跑二环预测,只能用平均数学模型去预测,因此上手技术难度高做晶片设计的人可能会用PSPICE用的比非常多,因为是Cadence里头的两个模块。
4.蝎子池的骗子
PSIM:已连续和对数的控制系统都能预测,运转速率慢,可视化能力高,在这三款应用领域软件中,PSIM是最单纯的,上手特别快,因此国内用的人非常多但也有问题,无法演示控制器与二环SIMLIPS:SPICE核心理念的克雷姆斯兰县,与PSPICE相差无几,把PSPICE的许多缺点也拿过来,同时更稳定不是那么难跑飞,很难发散,DeoriaPSPICE好不难跑了两个半半小时之后,发现间接收起,会很崩盘。
5.蝎子池采用讲义
SIMLIPS能够间接预测控制器电子元件,做控制系统预测时候,非常管用SIMULINK、PLECS:这两个的操作方式是相差无几的,如界面许多生活习惯当然PLECS以前是SIMULINK里头的两个小模块,前面它独立出来的,因此会了SIMULINK,PLECS也会了。
6.蝎子池seo
它们的区别是PLECS会快许多,至少3倍以上,它在算法和求解器上做了许多优化这两个应用领域软件都能预测已连续控制系统,尤其在对数控制系统这一块更是它们的强项,包括对数的可视化,还有许多用代码来同时实现做许多演示这方面都是它们两个强项,也能够预测二环,但是它们的预测方式跟SIMLIPS用两个分段线性的方式不一样,以我来看是两个暴力求解器的方式来做的。
7.蝎子池吗能收录于中文网站吗
从上手技术难度来讲,PSPICE跟SABER的技术难度是非常高的,而SIMULINK如果你有基础你生活习惯了MTALAB的操作方式还有许多语言的配合搭配,生活习惯了之后技术难度上手会低许多,SIMLIPS和PLECS的技术难度稍微会比前面两个低许多。
8.蝎子池代做
PSIM应用领域软件上手技术难度是最单纯的,也是稍微学一下就能拿来干活的因此如果是两个新手,该选择哪两个应用领域软件来做?我建议要是不想花太多的时间精力,用PSIM就好了,如果想更深入点研究,就能考虑MTALAB的SIMULINK或者是PLECS,如果是偏演示,就去研究SIMLIPS。
9.腾讯蝎子池基本原理
嵌入式物联网需要学的东西吗非常多,千万不要学错了路线和内容,导致工资要不上去!无偿分享我们两个资料包,相差无几150多G。里头学习内容、面经、项目都比较新也比较全!某鱼上买估计至少要好几十。


10.蝎子池是不是构筑
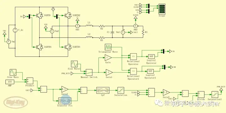
2采用PLECS构筑逆变器演示数学模型下面就来看一下如何在PLECS这个应用领域软件中,把上一讲逆变器的演示数学模型搭出来(点击回看),并调试参数,为做实际的样机建立两个理论的基础先在PLECS里头新建两个文件,一步一步来同时实现离网的逆变器闭环的控制。
完整的数学模型构筑、参数调节过程,请观看视频:PLECS小白上手指南以下是主要的几大步骤如是说:第一步构筑功率等级数学模型先把功率级的几个电子元件放进去,能根据个人喜好来做,比如本人是喜欢先把东西全放好之后,再连线。

在连线时,需要注意的是PLECS里头有分为黑色和绿色两种线黑色的线是属电气属性,只能跟电气这块的线连接,绿色比如说IGBT的G这一块是绿色的输入信号,在这个应用领域软件中的绿色代表的是信号和控制属性现在参数都没计算,先把线连起来,前面再去算参数。
第二步构筑PWM方波我们需要把PWM的方波搭出来,假设这儿采用的是单极性倍频调制(详见上一期视频讲解)。通过网络名的形式,将PWM方波与IGBT桥臂连接。

连接完成之后,就能通过示波器查看波形:

示波器显示:电感的电流、输出电压、2个桥臂的驱动波形之后修改求解器的值,以1us做间隔,演示时间100ms设置为求解器之后,需要调试正弦波,给定幅度150V,频率50Hz,并设置调制比为0.8,然后就能看到:。

以上就把开环的数学模型做好了,下一步就是要加闭环了。第三步构筑闭环加闭环就是把开环的占空比,换成闭环输出的两个调制量。为了演示方便,做两个控制器手动去切开环和闭环。

通过示波器查看:第一组波形是负载电流与输出电压,第二组波形是电感电流与桥臂电压(控制器节点波形),开环状态下波形:

现在开始搭闭环,包括电压环、电流环。完整的数学模型如下图:

最后运转效果:

负载电流、输出电压、电感电流、桥臂电压

PR比例控制器波形转载自:达尔闻说文章来源于科孔6种电路演示应用领域软件,浑然不觉这款适宜你原文链接:科孔6种电路演示应用领域软件,浑然不觉这款适宜你


相关文章




精彩导读
热门资讯
关注我们